
產品型號: W-36WW系列
產品名稱:φ36福來輪 W-36WW千鳥型切削式流利條
切削式滾輪流利條使用切削滾輪、福來輪、滾筒等,形式多樣。
>>說明
1.滾輪直徑:φ36
2.可以根據客戶要求定做。
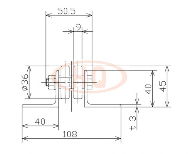
>>示意圖

>>仕様表
(単位 mm)
型 號 | 福來輪尺寸 | 使用軸 |
W-36WW | 36×9×8.2×14 | M8 ×45L |
框架尺寸 | 機高 | 全 長 | 福來輪中心距 | 彎道半徑 | 單只福來輪承載(kg) | 參考 |
40×108×40×50.5×3 | 45 | 1,000?2,000 | 30?40 | 1,000 | 40 | 千鳥型 交錯型 |