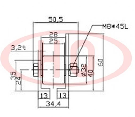
W-32BSO-H 單側高框架型(特型)

產品型號: W-BS系列
產品名稱:φ32福來輪 切削式滾輪流利條
切削式滾輪流利條使用切削滾輪、福來輪、滾筒等,形式多樣。
>>說明
1.滾輪直徑:φ32
2.可以根據客戶要求定做。
>>示意圖

>>仕様表
(単位 mm)
型 號 | 福來輪尺寸 | 使用軸 |
W-32BSO-H | 32×25×8.2×28 | M8 ×45L |
框架尺寸 | 機高 | 全 長 | 福來輪中心距 | 彎道半徑 | 單只福來輪承載(kg) | 參考 |
35(60)×34.4×13×50.5×3.2 | 40(60) | 1,000~3,000 | 40?70?100 | - | 90 | 重荷重類型 |