
產品型號: RS-1912
產品名稱:?19不銹鋼制自由輸送機
滾筒使用不銹鋼材料,防銹性能好。滾筒直徑小,適用于輕小物品的搬運。
>>說明
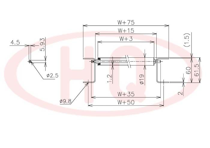
1.滾筒直徑:?19mm(壁厚1.2mm)
2.支架: 60mm槽鋼
3.幅寬: 100mm~500mm
4.承重量: max約44kg
>>仕様表
(単位 mm)
| 滾 筒 幅 寬 W (mm) | 100 | 200 | 300 | 400 | 500 | ||
| 滾筒承重強度 (kg) | 44 | 38 | 25 | 20 | 15 | ||
| 輸送機重量 3,000L (kg) | 25P | 25.6 | 33.4 | 41.3 | 49.1 | 57.0 | |
| 30P | 21.5 | 27.2 | 32.9 | 38.7 | 44.4 | ||
| 滾筒(含軸)重量 (g) | 102 | 155 | 208 | 261 | 314 | ||
| 型 號 | 滾筒外徑(φ)×壁厚(t) 軸承 | 軸外徑(φ)×壁厚(t) 加工 | 支架形狀I×K×t 輸送機高(H) | 機 長 L | 滾筒 幅 寬 W | 滾筒間隔 P | 轉彎半徑R R | ||||||
| RS-1912 | 19×1.2 SUS304 沖壓軸承 | 6 圓棒 SUS 半月 | [ 60×30×2 SUS304 61.5 | 1,000?2,000 3,000 | 100~500 任意尺寸 | 25?30 40 | 900 | ||||||
>>示意圖



