
產品型號: R-3812P
產品名稱:?38鋼制滾筒自由輸送機
>>說明
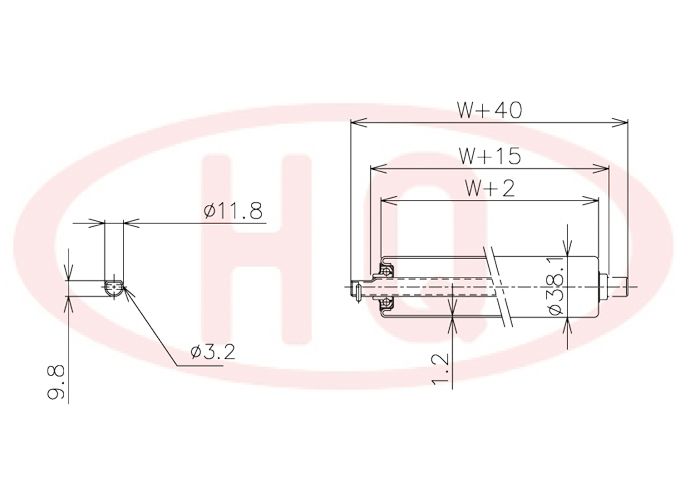
1.滾筒直徑:?38mm
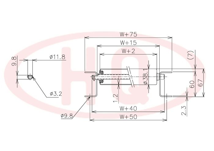
2.支架: 60mm槽鋼
3.幅寬: 100mm~1000mm
4.承重量: max約140kg
>>仕樣表
(單位 mm)
| 滾 筒 幅 寬 W (mm) | 100 | 200 | 300 | 400 | 500 | 600 | 700 | 800 | 900 | 1,000 | |||
| 輸送機幅寬 W+75 (mm) | 175 | 275 | 375 | 475 | 575 | 675 | 775 | 875 | 975 | 1,075 | |||
| 滾筒承重強度 (kg) | 144 | 144 | 94 | 80 | 60 | 48 | 42 | 38 | 35 | 32 | |||
| 輸送機重量 3,000L (kg) | 50P | 25.2 | 33.5 | 41.7 | 49.9 | 58 | 65.8 | 74.0 | 82.2 | 90.4 | 98.6 | ||
| 75P | 21.0 | 26.7 | 32.3 | 37.9 | 44 | 48.6 | 54 | 59.8 | 65.4 | 71.0 | |||
| 滾筒(含軸)重量 (g) | 210 | 340 | 470 | 600 | 730 | 860 | 990 | 1,120 | 1,250 | 1,380 | |||
>>示意圖




