
產品型號: RA-5716
產品名稱:?57鋁制自由輸送機
滾筒使用鋁合金材料,自重輕,防銹性能好。適用于有特殊要求的場合。
>>說明
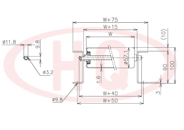
1.滾筒直徑:?57mm(壁厚1.6mm)
2.支架: 90mm槽型鋁材
3.幅寬: 100mm~800mm
4.承重量: max約80kg
>>仕様表
(単位 mm)
| 滾 筒 幅 寬 W (mm) | 100 | 200 | 300 | 400 | 500 | 600 | 700 | 800 | ||
| 滾筒承重強度 (kg) | 80 | 70 | 60 | 50 | 39 | 33 | 29 | 27 | ||
| 輸送機重量 3,000L (kg) | 75P | 17.3 | 22.3 | 27.3 | 32.4 | 37.4 | 41.8 | 46.8 | 51.8 | |
| 100P | 14.8 | 18.7 | 22.6 | 26.5 | 30.3 | 33.6 | 37.5 | 41.3 | ||
| 滾筒(含軸)重量 (g) | 245 | 360 | 475 | 590 | 705 | 820.0 | 935.0 | 1,050 | ||
| 型 號 | 滾筒外徑(φ)×壁厚(t) 軸承 | 軸外徑(φ)×壁厚(t) 加工 | 支架形狀I×K×t | 機 長 L | 滾筒幅寬 W | 滾筒間距 P | 轉彎半徑 R | ||||||
| RA-5716 | 57×1.6 氧化鋁ト加工 沖壓軸承 | 12×1.0管 鍍鋅 半圓 | [ 90×30×3 氧化鋁 100 | 1000?1,500 2,000?3,000 | 100~800 50遞增 | 75?100 | 900 | ||||||
>>示意圖



